Ecran proiectie electric, perete/tavan, 398,5 x 224,3 cm, EliteScreens Saker SK180XHW2-E6, format 16:9, trigger 12v

EliteScreens
7.414 Lei
Seria Saker ne prezinta un ecran electric de proiectie ce incorporeaza toate virtutile calitatii, rezistentei si a esteticii. Functiile standard includ un trigger wireless de 5-12 volti, un pachet cu doua telecomanzi IR/RF si un switch manual detasabil. 

Rate fara dobanda:


12 Rate
Raiffeisen Bank

6 Rate
Card Avantaj

6 Rate
BT

6 Rate
Alpha Bank

6 Rate
Garanti Bank

 

Stoc epuizat

Durata de livrare: intreaba un consultant

Cod Produs: 16/9EL400-SK180XHW2-E6 Ai nevoie de ajutor? 0722 255 266
Adauga la Favorite Cere informatii
  • Descriere
  • Caracteristici
  • Video (3)
  • Review-uri (0)

ECRAN de proiectie electric seria SAKER de la ELITESCREENS




Design-ul ecranului

Seria Saker ne prezinta un ecran electric de proiectie ce incorporeaza toate virtutile calitatii, rezistentei si a esteticii. Functiile standard includ un trigger wireless de 5-12 volti, un pachet cu doua telecomanzi IR/RF si un switch manual detasabil.

Utilizeaza materialul MaxWhite® Fiberglass (FG), care are un unghi de vizionare larg pentru a permite audientei sa vizualizeze imaginile de oriunde din incapere.

 

Caracteristici
 

Materialul ecranului

• MaxWhite® Fiberglass (1.1 Gain) alb-mat din fibra de sticla - material captusit;
• Un unghi larg de vizionare si o distributie uniforma a luminii in toate directile;
• Activ 3D, 4K Ultra HD si HDR Ready;
• Nu este compatibil cu videoproiectoarele Ultra/Short-throw;
• Partea din spate este de culoare neagra si este echipat cu rame standard negre;
• Disponibil cu diagonalele urmatoare: 84" - 150" in format 16:9 si 100" si 120" in format 16:10.

 

Design si instalare

• Suporturile de perete ascunse si rezistente permit glisarea ecranului pe orizontala pentru o centrare precisa;
• Carcasa alba din aluminiu emailat cu profil arcuit si canele paralele;
• Rama neagra de sus a ecranului este mai lata, potrivita pentru instalarile pe tavanele inalte;
• Plug & Play, nu necesita o cablare complicata;
• Kit-ul de montare pentru perete sau tavan este inclus.

 

Sistemul de control

• Receptori interni Radio Frecventa/ Infrarosu cu telecomenzi IR, RF incluse;
• Modul detasabil de perete cu 3 cai pentru o operare manuala SUS/STOP/JOS;
• Trigger wireless de 5-12 volti inclus;
• Intrarea RJ45 permite integrarea a unui al treilea sistem de control.

 

Calitate si fiabilitate

• Motor sincronizat cu o operare silentioasa si un consum redus de energie;
• Ignifug: in conformitate cu standardele NFPA 70;
• Certificat pentru calitatea aerului din incaperi GREENGUARD® si GREENGUARD® Gold (UL 2818);
• Garantie 5 ani.


Specificatiile materialului

Materialul MaxWhite® Fiberglass (FG) este captusit cu fibla de sticla pentru o fermitate imbunatatita ce asigura cea mai neteda suprafata de ecran netensionata cu aplicatii universale. Acest material va ofera un unghi larg de vizionare si o distributie uniforma a liminii, cu o definitie, reproducere a culorii si un contrast alb/negru extrem de precise. Partea din spate a ecranului este neagra pentru a elimina, astfel, penetrarea luminii. Suprafata ecranului este rezistenta la mucegai si extrem de usor de curatat cu apa si sapun.

 

- Grosime: 0.36 mm (0.014")

- Greutate: 350 g/m²

- Inaltime maxima: 3.2 M (10 ft)

- Gain pe axa: 1.0

- Unghi pe jumatate de gain: Nu atinge jumatate de gain.

 

Functii si beneficii ale materialului

- Material cu straturi multiple si suprafata texturata;

- Captuseala din fibra de sticla de culoare neagra;

- Gain: 1.1;

- Unghi de vizionare: 180° (90° ± LR);

- Nu este compatibil cu videoproiectoarele Ultra/Short-throw;

- Rezistent la mucegai;

- Activ 3D, 4K Ultra HD si HDR ready;

- Suprafata poate fi curatata usor cu sapun si apa;

- Ignifug: In conformitate cu standardele NFPA 701;

- Certificat GREENGUARD® si GREENGUARD® Gold | UL 2818



2 ani garantie, 3 ani garantie pentru institutii de invatamant, guvern.
Informatii conformitate produs

Specificatii:

 

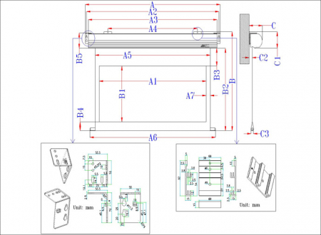
Dimensiunea vizibila pe orizontala a ecranului (cm):     398.5
Dimensiunea vizibila pe verticala a ecranului (cm): 224.3
Lungimea fizica a carcasei de ecran (cm): 439.1
Lungime carcasa: 439.1
Vizibil: 398,5 x 224,3
Telecomanda DA
Ecran rama fixa NU
Tip proiectie FATA
Format ecran 16:9
Montaj ecran perete/tavan
Bordura Neagra DA
Electric DA

Daca doresti sa iti exprimi parerea despre acest produs poti adauga un review.

Review-ul a fost trimis cu succes.

Suport clienti L-V 10:00 - 18:00

0722 255 266 office@avshop.ro
L-V 10-18
Suport

Compara produse

Trebuie sa mai adaugi cel putin un produs pentru a compara produse.

A fost adaugat la favorite!

A fost sters din favorite!